[기고] 다채널 PMIC를 단일 출력의 고전류 PMIC로 활용하는 방법
  • 2025-11-18
  • 신윤오 기자, yoshin@elec4.co.kr
  • 아나로그디바이스(Analog Devices, Inc.)


첨단 전자기기, 특히 고성능 프로세서와 FPGA에서 전력 요구가 지속적으로 증가함에 따라, 전원 관리 솔루션은 보다 높은 전류를 유연하게 제공할 수 있도록 발전해야 한다. 이 글은 다채널 전원 관리 IC(PMIC)를 단일 채널의 고전류 전원으로 활용하는 방법에 대해 살펴본다. 

여러 개의 조정된 출력을 병렬로 연결함으로써, 설계 엔지니어는 전체 전류 용량을 최대한 활용할 수 있을 뿐만 아니라 정밀한 전압 조절과 열 균형을 유지할 수 있다. 이러한 기법은 전원 아키텍처를 단순화할 뿐만 아니라 설계 재사용성을 높이고 보드 공간을 절감하며 DSP, 프로세서, FPGA, 마이크로컨트롤러와 같은 복잡한 전자기기에서의 열 분포를 개선한다.




글: 사이 차이타냐 카이파(Sai Chaithanya Kaipa) 제품 마케팅 엔지니어,
     예 판(Ye Fan) 전원 제품 담당 선임 애플리케이션 엔지니어

     _아나로그디바이스(Analog Devices, Inc.)


첨단 전자 시스템 설계에서 전원 관리 IC(PMIC)는 복잡한 전력 아키텍처에 유연성을 제공한다는 점에서 점점 더 높게 평가되고 있다. 기존의 전원 솔루션이 주로 효율과 전압 조절에 초점을 맞추었다면, PMIC는 여기에 더해 여러 전원 레일, 시퀀싱 로직, 결함 보호, 원격 모니터링(텔레메트리) 기능을 하나의 소형 디바이스에 통합한다. 다채널 PMIC는 일반적으로 여러 전원 출력을 관리하도록 설계되며, 각 채널은 시스템의 특정 부분에 안정된 전압을 제공한다. 

또한 이러한 디바이스는 여러 채널을 결합해 하나의 고전류 전원 레일을 공급하는 다상(multiphase) 모드로 구성할 수 있어, 단일 고전류 레귤레이터를 효과적으로 대체할 수 있다. 이 방법은 채널들을 병렬로 연결하여 부하를 균등하게 분산시킴으로써 특정 채널의 과부하를 방지한다. 이와 같은 유연성은 높은 전류를 안정적으로 공급해야 하면서도 효율과 신뢰성을 유지해야 하는 애플리케이션에서 특히 유용하다. 이러한 PMIC는 디지털 신호 프로세서(DSP), 프로세서, FPGA, 마이크로컨트롤러와 같이 여러 하위 시스템이 서로 다른 전력 수준을 요구하는 복잡한 디바이스에서 주로 사용된다.

이처럼 다양한 애플리케이션에서의 고전류 요구를 충족하기 위해, LT7200S는 5 mm × 6 mm 크기의 48핀 LQFN 패키지로 제공되며, ADP5055와 ADP5056은 5.00 mm × 5.50 mm 크기의 LGA 패키지로 제공된다. 이들 제품 모두 고전류 달성을 위한 병렬화 기능을 갖추고 있다.

통상적인 애플리케이션 

데이터 전송 속도가 높아지고 워크로드가 커짐에 따라 FPGA와 SoC는 더 빠른 속도와 더 높은 대역폭 요구 사항을 충족하기 위해 지속적으로 발전하고 있다. 이에 따라 전원 공급 디바이스 또한 더 높은 전류를 제공하면서 전력 밀도를 높여야 한다. 단순성과 신뢰성은 여전히 갖추어야 할 중요한 요소로 남아 있다.

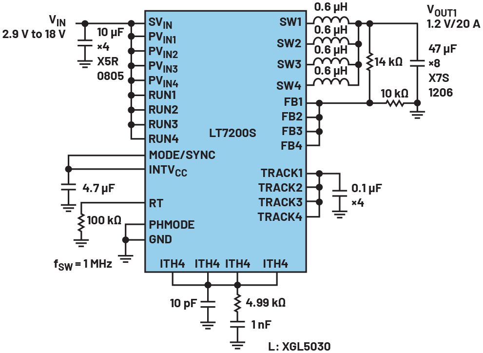
15A 이상의 전류가 필요한 시스템에서는 여러 개의 LT7200S 레귤레이터를 병렬로 연결하고 위상을 어긋나게(out of phase) 동작시킴으로써 효율적이고 안정적인 전력 공급을 구현할 수 있다. 그림 1과 그림 2는 LT7200S의 전형적인 애플리케이션 회로를 보여주며, 이 디바이스는 2상 및 4상 동작을 지원하고 병렬 구성을 통해 부하에 더 높은 출력 전류를 공급할 수 있다.

LT7200S는 4상 구조를 갖춘 동기식 벅 레귤레이터로, 내부의 4개 채널을 효율적으로 병렬 운용할 수 있다. 각 채널은 ±5A의 전류를 전달하거나(sourcing) 전달받을(sinking) 수 있으며, 4개의 위상이 병렬로 동작할 경우 최대 ±20A를 공통 출력으로 전달할 수 있다. 이는 정밀한 전류 모드 제어를 통해 구현되며, 모든 채널 간의 전류를 정확히 분배함으로써 열 균형을 유지하고 시스템 신뢰성을 향상시킨다.

 
그림 1. 20A 단일 출력을 위한 4상 병렬 구성 PMIC

 
 
그림 2. 10A/10A 듀얼 출력을 위한 2상 병렬 구성 PMIC


이 디바이스는 PHMODE 핀을 통해 위상 인터리빙을 지원하여, 각 채널이 서로 다른 위상으로 동작할 수 있게 함으로써 입력 및 출력 리플을 크게 줄인다. 또한 MODE/SYNC 핀을 통해 외부 클럭과의 동기화를 지원하여, 스위칭을 조정하고 민감한 애플리케이션 환경에서의 잡음을 최소화할 수 있다.

동작 주파수는 외부 저항을 이용해 400kHz에서 3MHz까지 설정할 수 있으며, 스위칭 잡음에 민감한 애플리케이션 분야에서는 외부 동기화를 통해 제어할 수도 있다. 고유한 위상 고정(phase-lockable) 방식의 제어된 온타임 및 고정 주파수 기반 전류 모드 아키텍처는 고주파, 고전압 강하 애플리케이션에 적합하며, 빠른 과도 응답 특성을 제공한다.

LT7200S는 사일런트 스위처2(Silent Switcher® 2) 기술이 적용되어 있으며, 혁신적인 설계 및 패키징 기법을 통해 높은 효율을 유지하면서 전자파 간섭(EMI)을 줄이도록 설계되었다. 이러한 독창적인 기법은 레귤레이터가 PCB 레이아웃 변화에 덜 민감하도록 만들어 설계를 단순화하고 성능을 향상시킨다.

LT7200S의 성능 특성

그림 3은 4상 구성의 LT7200S 솔루션 효율을 보여준다. 이 4상 구성은 그림 1과 유사하며, 1MHz의 스위칭 주파수에서 12V 입력을 1.2V 출력으로 변환한다. 이 구성은 최대 20A의 연속 부하 전류를 공급할 수 있다. PHMODE 핀은 GND에 연결되어 있으며, 각 채널 간에 90°의 위상 차를 형성한다. 이러한 인터리브 동작은 입력 전류 리플을 줄이고, 보드 전체의 열 부하를 균등하게 분산시키며, 입력 및 출력 커패시터의 요구 사항을 낮추고, EMI를 최소화하며, 시스템 안정성을 향상시킨다. 정상 상태와 시동 시 더 나은 전류 분배를 보장하기 위해 ITH, FB, TRACK/SS 핀은 함께 연결된다. 

이 디바이스는 12V 입력에서 최대 88%의 피크 효율을 달성하며, 20A의 최대 부하에서도 86%의 효율을 유지한다. 그림 4는 12V 입력, 1.2V/20A 출력 조건에서 동작 중인 LT7200S의 열화상 이미지를 보여주며, 4상 운용 중 균일한 전류 분배가 이루어지고 있음을 확인할 수 있다.


 
그림 3. 12V 입력, 1.2V 출력, 1MHz 스위칭 주파수 조건에서 LT7200S의 4상 효율
 
 
그림 4. 12V 입력, 1.2V 출력, 20A 부하, 1MHz 스위칭 주파수, 무풍 환경, 주변 온도 25°C 조건에서의 LT7200S 열화상 이미지


이와 유사하게 ADP5055와 ADP5056은 3개의 고성능 벅 레귤레이터를 43단자 LGA 패키지에 통합하여, 까다로운 성능 요건과 제한된 보드 공간 요구를 동시에 충족한다. 이들 디바이스는 별도의 프리레귤레이터(preregulator) 없이 최대 18V의 높은 입력 전압에 직접 연결할 수 있으며, 모든 채널에 하이사이드 및 로우사이드 전원 MOSFET을 통합해 최적화된 효율의 전원 솔루션을 구현한다. 채널 1과 채널 2는 각각 3.5A 또는 7A의 설정 가능한 출력 전류를 제공하거나, 병렬 동작 시 최대 14A의 단일 출력을 지원할 수 있다. 채널 3은 1.5A 또는 3A의 설정 가능한 출력을 제공한다.

ADP5055는 고정밀 8비트 디지털-아날로그 컨버터(DAC)를 내장해 PMBus® 호환 2선 인터페이스를 통한 출력 전압 동적 전압 스케일링(DVS)을 지원한다. 또한 PMBus 인터페이스는 시동 및 종료 시퀀스 제어, 개별 채널의 강제 펄스폭 변조(FPWM) 또는 절전 모드(PSM) 선택, 출력 방전 스위치, 전원 정상 신호(power-good) 등의 다양한 유연한 설정을 제공한다. 이들 디바이스는 –40°C ~ +150°C의 접합 온도 범위에서 동작하도록 설계되어 있다.

결론

ADP5056, ADP5055, LT7200S와 같은 고전류 PMIC는 효율적이고 유연하며 신뢰성이 요구되는 애플리케이션 분야에 적합하다. 이들 제품은 고성능, 유연성, 통합성을 동시에 제공하며, 통신 장비, 데이터센터, 산업 자동화와 같은 복잡한 시스템에 이상적이다. 병렬 운용 기능을 통해 여러 디바이스를 함께 사용하여 전류 용량을 확장하고 신뢰성을 더욱 높일 수 있다. 이러한 특성들은 확장 가능하고 견고한 전원 솔루션을 필요로 하는 고객에게 중요한 이점을 제공한다.


 저자 소개 

사이 차이타냐 카이파(Sai Chaithanya Kaipa)는 아나로그디바이스(Analog Devices) 전원 시스템 그룹(Power Systems Group)의 제품 마케팅 엔지니어로 근무했다. 그는 마이크로컨트롤러, FPGA, 프로세서 및 기타 서브시스템에 전원을 공급하는 모놀리식 전원 관리 IC(PMIC) 제품을 담당했다. 2021년 아나로그디바이스에 합류하기 전에는 몰렉스(Molex)와 맥심 인터그레이티드(Maxim Integrated)에서 마케팅 및 제품 관리 직책을 맡았다. 그는 2018년 인도 첸나이의 벨텍대학교(Vel Tech University)에서 기계공학 학사 학위를 취득했다.

예 판(Ye Fan)은 아나로그디바이스 산업 및 멀티마켓 그룹(Industrial and Multimarket Group)의 전원 제품 담당 선임 애플리케이션 엔지니어다. 그는 2017년 버지니아 폴리테크닉 주립대학교(Virginia Polytechnic Institute and State University)에서 전기공학 석사 학위를 취득했으며, 졸업 후 아나로그디바이스에 입사했다.
 

<저작권자(c)스마트앤컴퍼니. 무단전재-재배포금지>


#반도체   #부품   #전력  
  •  홈페이지 보기
  •  트위터 보기
  •  페이스북 보기
  •  유투브 보기

  • 100자평 쓰기
  • 로그인

세미나/교육/전시
TOP