[기고] 전압 변환에 차지 펌프 기술을 활용할 때 어떤 이점 있을까
  • 2025-10-17
  • 신윤오 기자, yoshin@elec4.co.kr
  • 프레데릭 도스탈(Frederik Dostal) 전원 관리 전문가 / 아나로그디바이스(Analog Devices, Inc.)


이 글에서는 전원 관리에서 중간 버스 전압을 생성하기 위해 스텝다운 벅 레귤레이터 대신 고출력 차지 펌프를 사용하는 방법을 소개한다. 인덕터 기반의 스텝다운 레귤레이션 대신 차지 펌프를 사용하면 더 높은 변환 효율을 얻을 수 있다. 이 글은 전압 변환을 위해 차지 펌프 기술을 사용할 때 누릴 수 있는 이점에 초점을 맞춘다.



전통적인 전원공급 시스템에서는 높은 전압을 낮은 전압으로 변환할 때 일반적으로 스텝다운 벅 레귤레이터를 사용해 왔다. 그러나 조정되지 않은 중간 전압 레일이 요구될 때는, 차지 펌프라는 대안 기술을 활용할 수 있는데, 이 방식은 인덕터 부품을 사용할 필요가 없기 때문에 더 높은 변환 효율과 비용 절감 효과를 제공한다.

차지 펌프를 활용한 중간 전압 레일 생성 

중간 전압 레일은 전원공급 아키텍처에서 중요한 역할을 한다. 이를 통해 더 낮은 전압 정격의 전력 변환 IC를 사용할 수 있으며, 매우 높은 소스 전압으로부터 직접 변환할 때보다 유리한 듀티 사이클에서 벅 레귤레이터를 구동하여 보다 효율적인 전압 변환 단계를 구현할 수 있다.

그림 1은 12V 공급 전압 시스템에서의 전원 아키텍처를 보여주며, 여기서 6V 중간 전압이 생성된다. 중간 전압 레일은 시스템에서 직접 사용되지 않기 때문에 조정(regulation)이 필요하지 않다. 대신, 해당 중간 전압은 PoL(point-of-load) 벅 레귤레이터를 사용하는 각각의 2차 전력 변환 단계를 통해 시스템이 요구하는 공급 전압으로 변환된다.

 
그림 1. 12V 시스템에서 6V 중간 전압의 활용


중간 버스 전압을 생성하기 위해, 인덕터 기반의 스텝다운 스위치 모드 레귤레이터(벅)를 사용할 수 있으며, 이 방식은 약 90%의 변환 효율을 달성할 수 있다. 차지 펌프 기술은 이에 대한 효율적인 대안을 제시한다. LTC7825 차지 펌프 컨버터는 뛰어난 효율을 달성한다.

12V에서 6V로 변환할 때, 5A(30W)의 부하 전류 조건에서 97.5%의 효율을 달성하며, 10A(60W) 부하 전류 조건에서도 거의 96%의 효율을 나타낸다. 이처럼 높은 효율을 달성할 수 있는 이유는 통합된 차지 펌프 스위치를 제어하는 정교한 시스템 덕분이다. 이 방식은 전자기 적합성(EMC) 측면에서도 우수한 성능을 발휘한다.
 
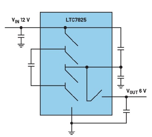
그림 2. 차지 펌프를 활용해 중간 버스 전압을 생성하는 회로의 개략도


그림 2는 차지 펌프 회로의 단순화된 회로도를 보여준다. 이 회로는 제어 루프 없이 동작한다. 생성된 출력 전압 6V는 입력 전압 12V를 따라가며 항상 입력 전압의 절반을 유지한다. 제어 루프가 없는 이러한 자유 동작 전압 변환 방식은 뛰어난 효율과 낮은 EMC 특성을 달성한다. 이 방식의 또 다른 장점은 인덕터가 필요 없다는 점이다. 흔히 인덕터는 사이즈가 크고 비용이 발생하는데, 고전류 부하에서는 특히 더 그렇다.

그림 3은 LTC7825를 활용하는 차지 펌프 회로를 아나로그디바이스(Analog Devices)의 시뮬레이션 프로그램인 LTspice®로 분석한 것이다. 이 소프트웨어는 차지 펌프 토폴로지를 시뮬레이션하기 위한 훌륭한 도구로, 이 회로 구조의 특징과 한계를 이해하는 데 유용하다.

 
그림 3. LTspice를 활용한 LTC7825 회로 분석


차지 펌프는 전통적으로 저전력 동작에 활용되어 왔으나, LTC7825와 같은 최신 디바이스는 최대 100W의 높은 전력 수준에서도 활용될 수 있다. 더 높은 전력이 요구되는 경우에는 외부 스위치를 사용하는 컨트롤러 형태의 LTC7820을 활용할 수 있다.

결론정밀한 조정이 필요하지 않고 기존 공급 전압의 절반 전압으로 변환해야 하는 경우, 차지 펌프 회로는 더 높은 효율과 우수한 EMC 성능을 제공하며 인덕터의 필요성을 없애 준다.


 저자 소개 

프레데릭 도스탈(Frederik Dostal)은 전원 관리 전문가로서 이 업계에서 20년 넘게 종사하고 있다. 독일의 에를랑겐 대학교에서 마이크로일렉트로닉스를 전공하고, 2001년에 내셔널 세미컨덕터(National Semiconductor)에 입사해서 FAE로서 고객 프로젝트로 전원 관리 솔루션 구현과 관련한 풍부한 경험을 쌓았다. NS 재직 시 애리조나주 피닉스에서 4년 간 근무하면서 애플리케이션 엔지니어로서 스위치 모드 전원공급장치(SMPS)를 맡았다. 2009년에 아나로그디바이스(Analog Devices)에 입사했으며, 이후 제품 라인 및 유럽 기술 지원과 관련한 다양한 직책을 거쳤다. 현재는 풍부한 설계 및 애플리케이션 지식을 바탕으로 전원 관리 전문가로서 ADI 뮌헨 지사에서 근무하고 있다.
문의: frederik.dostal@analog.com 



 

<저작권자(c)스마트앤컴퍼니. 무단전재-재배포금지>


#반도체   #부품   #전력  
  •  홈페이지 보기
  •  트위터 보기
  •  페이스북 보기
  •  유투브 보기

  • 100자평 쓰기
  • 로그인

세미나/교육/전시
TOP